Download document () of 20
We make what matters work*

Maximizing protection coordination with self-healing technology

Abstract

Much of the Smart Grid initiative includes the installation of new recloser and switch controls as part of an overall reliability improvement on the distribution system. These new controls offer communication options that support fault isolation and restoration systems, load optimization, and integrated voltage and VAR control. These new controls often offer multiple setting profiles that, when used properly, improve coordination of protective devices. The setting profiles can be used to define sectionalizer and switch mode options that can also greatly simplify coordination of the circuits. These profiles can then be better utilized by self-healing software to maintain coordination of the circuit—as it dynamically changes to restore outages and optimize circuit loading. This paper will discuss features of the most common controls and self-healing systems that offer practical solutions for every utility

Introduction

On the electrical distribution system, overcurrent devices are the predominant protection equipment used. Distribution feeders are generally radial circuits with predictable fault current flows— without the need for impedance or differential protection schemes. Until the large scale deployment of self-healing technology, keeping the protection schemes simple has benefited utilities. Some distribution systems are better equipped to handle this change because of circuit topology, load levels, and existing infrastructure. 

The challenge that distribution engineers face is the ability to segment a feeder into as many zones as possible to maximize the effectiveness of a self-healing system. One of the basic principles of coordination and improving system reliability is restricting outages to the smallest section of the system as possible (1). Engineers are also faced with many new circuit configurations that were not considered during the initial design of the feeder protection. The time interval between the transformer damage curves and the tap fuses limits how many reclosers or other timed protective devices can be coordinated in series. When feeders are looped into end-to-end configurations, there will be more devices in series than can typically be coordinated.

Many of these problems are not new to the distribution system and have existing solutions. The challenge is how to incorporate these solutions into the existing infrastructure design without a wholesale replacement of apparatus or complicated communication-assisted protection schemes. Because this paper focuses on Smart Grid applications, the design requirements of electromechanical and hydraulic reclosers will be ignored.

Miscoordination correction

Miscoordination correction is a technique used in many different automation systems across multiple vendors (3) (4). It is a simple concept that uses fault detectors and known circuit topology to determine fault location. Miscoordination correction will allow the selfhealing system to properly isolate a faulted line segment when the wrong recloser clears a fault. 

The fault current must flow from the substation to the fault on a radial line. On a properly coordinated line, the fault-side device must clear the permanent or temporary fault before the sourceside device interrupts the circuit or operates to lockout (1). When miscoordination occurs, multiple protective devices will trip for the same fault or a source-side device will overreach and clear faults outside of its intended protective zone. Most recloser or switch controls provide one or two fault indicators. The first is the traditional fault target that is latched on the protective device when it trips. The second target is an instantaneous fault pickup indicator used to annunciate when the protective device is actively timing toward a trip. A target asserting on a downstream (loadside) device within the reclosing sequence of the protective device that clears the fault is a good indication of miscoordination.

Special considerations are required by the self-healing system to ensure secure operation of this algorithm. The logic should be triggered only when a protective device goes to lockout and the fault targets can be time correlated with the lockout operation. This is necessary to distinguish between a single fault on the system and multiple faults that might occur close to each other. The system should ignore targets that persist with no device operation. These stale targets could result from failure to reset the targets after the last operation or from extremely high load encroaching on the fault detector threshold. On a self-healing system, the algorithm must adapt to the changing circuit topology. It must track from the feeder source downstream until a zone is identified with a source-side recloser, annunciating a fault and the adjacent load-side recloser without any targets. This zone is the most likely location of the fault, and the circuit will be reconfigured around this new isolation point. However, there is no way to guarantee absolute security of fault location using this technique because multiple simultaneous faults might cause two adjacent reclosers to correctly lockout. It is important that the self-healing system has the ability to toggle from reclosing to single-shot mode to prevent excess operations should the system close back into a faulted zone.

In Figure 1 and Figure 2, a sample miscoordination event is shown. The event occurs on the feeder with recloser ACR1 clearing the fault instead of ACR2. ACR1 asserts normal fault targets as it progresses through the reclosing sequence to lockout. The load-side ACR2 never timed out on a time-current characteristic (TCC) but did assert the fault pickup target. This target is instantaneous and does not latch at the device because there was no tripping of this recloser. The self-healing system log shows the sequence of events as it detects both targets, latches the instantaneous target from ACR2, and then properly isolates the true faulted zone.

Example-Circuit-Miscoordination-Correction-with-Two-Sources.jpg

Self-Healing System Event Log

 _________________________________________________

Device ACR2: Fault Pickup indication latched.

Device ACR1: Fault Pickup indication latched.

Device ACR1: Fault Target indication received.

Device ACR1: OPENED

Device ACR1: RECLOSED.

Device ACR1: OPENED

Device ACR1: RECLOSED.

Device ACR1: OPENED

Device ACR1: Lockout indication received.

Device ACR1: New Fault Event

Who saw this fault down-load of device ACR1:

Device ACR3: No!

Device ACR2: Yes! (Fault maybe downstream from this device)

Device ACR2 should have tripped. Probable miscoordination problem.

Transferring logical fault location down-load of device ACR2

Device ACR2: Issuing Open Request(TmpFaultTransfer)

Device ACR2: OPENED (Self Healing Operation).

Device ACR2: Lockout indication received.

Details: (Logical fault location transferred to down-load device. Reconnection will be attempted)

Who saw this fault down-load of device ACR2:

Device ACR3: No!

Device ACR3: Issuing Open Request(FaultIsolation)

Device ACR3: OPENED (Self Healing Operation).

Device ACR3: Lockout indication received.

Details: (Fault now Isolated)

Evaluating best reconnect option:

Reconnection via ACR1 following fault transfer

Targets and protection profiles will be reset as needed before reconnection.

Device ACR1: Issuing Target Reset Request (Before Re-connection)

Device ACR1: Fault Target indication cleared.

Device ACR1: Issuing Close Request (Reconfiguration)

Device ACR1: CLOSED (Self Healing Operation).

Device ACR1: Lockout indication cleared.

Entire load will be picked up by TIE

Targets and protection profiles will be reset as needed before reconnection.

Device TIE: Issuing Close Request (Reconfiguration)

Device TIE: CLOSED (Self Healing Operation).

Device TIE: Lockout indication cleared.

Multiple profiles and mode of operation

Most microprocessor-based recloser controls will support multiple device profiles or setting groups. The number of profiles varies depending on make and model. These profiles traditionally have been used for different time-current characteristics (TCCs). In a self-healing system, the circuits have the ability to be energized from any available source that does not cause a voltage or thermal limit violation. Another common limiting factor is the ability of the protection scheme to remain sensitive and secure. The protective devices must remain sensitive enough to clear all faults that may occur on the new circuit, but also be secure in not operating for non-fault conditions such as peak load. Changing device profiles can ensure coordination is maintained through adjustments of the TCCs.

Topology driven protection profiles

The sample installation in Figure 3 and Figure 4 has three feeders from two different substations. The design requires moving different TCCs to be applied as reclosers between the feeders. This represents a particular challenge to the recloser control because there are two forward-biased protection profiles. A well-designed self-healing system offers simple input parameters to define which profile devices should activate when connected to a specific feeder source. In this example, Normal Profile is used when ACR5 is connected to Feeder 2. For a fault occurring at Fault1, ACR5 becomes connected to Feeder 1. This is ensured by defining a preferred alternate source for zones connected to Feeder 2 in the self-healing system (3). In this configuration, it must now coordinate with TIE1 and change to Alternate Profile 1 before the tie recloser is closed. For a bus fault at Fault2, ACR5 must then connect to Feeder 3 to restore power and must change again (to Alternate Profile 2) to maintain coordination with TIE2 before the tie recloser closes. Alternate profiles are managed in a similar way to provide forward and reverse coordination for other ACR devices.

Example-Circuit-Profile-Changes-During-Reconfiguration.jpg

 Self-Healing System Event Log for Fault #1

_________________________________________________

 

Device ACR2: Fault pickup indication latched.

Device ACR2: Fault indication received.

Device ACR2: OPENED

Device ACR2: RECLOSED.

Device ACR2: OPENED

Device ACR2: RECLOSED.

Device ACR2: OPENED

Device ACR2: Lockout indication received.

Device ACR2: New fault

 Enforcing information stability period before processing faults.

 Who saw this fault down-load of device ACR2:

 Device ACR5: No!

 Device ACR4: No!

 Device ACR4: Issuing Open Request(FaultIsolation)

Device ACR4: OPENED (Self Healing Operation).

Device ACR4: Lockout indication received.

Evaluating best reconnect option:

 Normal source for device ACR4 is Feeder #2.

 Preferred alternate source is Feeder #1

 Entire load can be picked up by normal or preferred source via TIE1

 Targets and protection profiles will be reset as needed before reconnection.

Device ACR5: Select Alternate Profile 1 request issued.

Device TIE1: Select Alternate Profile 1 request issued.

 ACR5_NormalProfileSelected' --> 0

 ACR5_AltProfile1Selected' --> 1

 TIE1_NormalProfileSelected' --> 0

 TIE1_AltProfile1Selected' --> 1

Device TIE1: Issuing Close Request (Reconfiguration)

Device TIE1: CLOSED (Self Healing Operation).

Device TIE1: Lockout indication cleared.

Load-driven protection profiles

Topology-driven profile changes occur when a device is connected to an alternate source. Sometimes the addition of zone segments to the end of an existing feeder mandates profile changes as well. The most common driver of this condition is the presence of additional load encroaching on the minimum pickup threshold of the time current characteristic. If the feeder predominantly comprises switches, the change might also be needed to extend the reach of the protective device. One technique commonly overlooked in the distribution protection world is the use of negative sequence overcurrent elements to improve sensitivity for phase-to-phase faults without nuisance tripping for high load (5). This technique is very similar to a ground overcurrent element’s ability to be set to very sensitive without regard for load levels.

In the example shown in Figure 5 and Figure 6, ACR1 has a normal phase pickup of 250A, which represents a 25% margin over peak loading of 200A (100A in each zone). When the fault shown in Figure 5 occurs during peak loading, the reconfiguration will be adding another 100A of loading to ACR1. This additional loading would cause a nuisance operation if phase overcurrent pickup is not adjusted. In this case, the self-healing system has knowledge of how much load it is adding before the reconfiguration is complete. This knowledge allows the self-healing system to change device profiles to alternate trip settings before TIE1 is closed. The new 350A pickup setting will prevent the recloser from tripping on load. A similar profile change can be made on recloser ACR3.

Example-Circuit-Load-Driven-Profile-Changes.jpg

Self-Healing System Event Log

 _________________________________________________

 

Device ACR2: Fault pickup indication latched.

Device ACR2: Fault indication received.

Device ACR2: OPENED

Device ACR2: RECLOSED.

Device ACR2: OPENED

Device ACR2: RECLOSED.

Device ACR2: OPENED

Device ACR2: Lockout indication received.

Device ACR2: New fault

 Enforcing information stability period before processing faults.

 Who saw this fault down-load of device ACR2:

 Device ACR4: No!

 Device ACR4: Issuing Open Request(FaultIsolation)

Device ACR4: OPENED (Self Healing Operation).

Device ACR4: Lockout indication received.

Evaluating best reconnect option:

 Total load: 100.0/100.0/100.0 Amps.

 TIE1 Transfer capacity = 300.0/300.0/300.0 Amps

 ACR1 Profile Threshold 225.0/225.0/225.0 Amps

 ACR3 Profile Threshold 150.0/150.0/150.0 Amps

 Entire load can be picked up by normal or preferred source via TIE1

 Targets and protection profiles will be reset as needed before reconnection.

Device ACR1: Select Alternate Profile 1 request issued.

Device ACR3: Select Alternate Profile 1 request issued.

Device TIE1: Select Alternate Profile 1 request issued.

 ACR1_NormalProfileSelected' --> 0

 ACR1_AltProfile1Selected' --> 1

 ACR3_NormalProfileSelected' --> 0

 ACR3_AltProfile1Selected' --> 1

 TIE1_NormalProfileSelected' --> 0

 TIE1_AltProfile1Selected' --> 1

Device TIE1: Issuing Close Request (Reconfiguration)

Device TIE1: CLOSED (Self Healing Operation).

Device TIE1: Lockout indication cleared.

Maximum link fragmentation

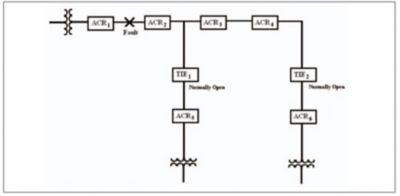
Sometimes coordination only becomes an issue if the self-healing system attempts to move the entire disconnected feeder link to an alternate source. This might put too many reclosers in series to coordinate, or it could extend the feeder to a point of causing voltage violations. On more complex circuits that have several available tie points per feeder, the answer might be to reconnect as few zones as possible with each tie point. The known tradeoff of this methodology is the increased number of control operations that must be successfully executed. Because of communication failures, these additional control requests will increase the momentary

outage duration and probability of an incomplete restoration sequence. This technique is different than one commonly found in peer-to-peer systems where every device is opened upon system disturbance and closed in one at a time. In the example shown in Figure 7 and Figure 8, the circuit could easily reconfigure all of the zones beyond ACR2 to either TIE1 or TIE2 if based strictly on switching ampacity. The self-healing system has been configured to never allow more than two zones to be reconnected to any tie point. The result is the system must fragment the link between ACR2 and the TIE reclosers. The resulting action opens ACR4 to separate the link into two fragments and re-energizes unfaulted zones through both available tie points.

Example-Circuit-Maximum-Link-Fragmentation.jpg

 Self-Healing System Event Log

 

 Device ACR1: Fault pickup indication latched.

 Device ACR1: Fault indication received.

 Device ACR1: OPENED unexpectedly.

 Device ACR1: RECLOSED.

 Device ACR1: OPENED unexpectedly.

 Device ACR1: RECLOSED.

 Device ACR1: OPENED unexpectedly.

 Device ACR1: Lockout indication received.

 Device ACR1: New fault

 Enforcing information stability period before processing faults.

 Who saw this fault down-load of device ACR1:

 Device ACR4: No!

 Device ACR3: No!

 Device ACR2: No!

 Device ACR2: Issuing Open Request(FaultIsolation)

 Device ACR2: OPENED (Self Healing Operation).

 Device ACR2: Lockout indication received.

 Evaluating best reconnect option:

 Total load: 300.0/300.0/300.0 Amps.

 Disconnected link has 2 ties:

 TIE2 Transfer capacity = 400.0/400.0/400.0 Amps - Limited to pickup 2 zones)

 Zone load = 236.0/236.0/236.0 Amps [priority: 0]

 Device TIE2: Could potentially close.

 TIE1 Transfer capacity = 400.0/400.0/400.0 Amps - Limited to pickup 2 zones)

 Zone load = 39.0/39.0/39.0 Amps [priority: 0]

 Device TIE1: Could potentially close.

 Normal or preferred source cannot pick up entire load.

 No single tie device can pick up entire load.

 Optimal link fragmentation is evaluated below:

 Pass #1:

 Use TIE1 to pick up Zone #2.

 Pass #2:

 Use TIE2 to pick up Zone #3.

 Pass #3:

 Use ACR3 to pick up Zone #4.

 Pass #4:

 Reconfiguration involves following device operations

 Device ACR4 must be opened.

 Tie device TIE2 must be closed.

 Tie device TIE1 must be closed.

 Device ACR4: Issuing Open Request(Fragmentation)

 Device ACR4: OPENED (Self Healing Operation).

 Device ACR4: Lockout indication received.

 Targets and protection profiles will be reset as needed before reconnection.

 Device TIE2: Issuing Close Request (Reconfiguration)

 Device TIE2: CLOSED (Self Healing Operation).

 Device TIE2: Lockout indication cleared.

 Self-Healing System Event Log

 Targets and protection profiles will be reset as needed before reconnection.

 Device TIE1: Issuing Close Request (Reconfiguration)

 Device TIE1: CLOSED (Self Healing Operation).

 Device TIE1: Lockout indication cleared.

Switch/sectionalizer mode of operation

A common misconception is that adding switching points to a self-healing system requires adding zones of protection. Zones of protection require coordination while switching points do not. Power system protection coordination is simplified by adding devices that act as communicating switches and sectionalizers to a self-healing system (instead of classic reclosers). 

Recloser mode is the classic protection mode of a recloser control. In this mode of operation, the control will monitor current and open recloser contacts and attempt to reclose based on the time current characteristic parameters. 

Switch mode puts a recloser into a mode of operation that will only open if instructed to by an operator or line crew. Putting a recloser into such an operating mode may seem counter intuitive, but it does have benefits in a self-healing system. The control still senses and reports fault targets. 

Sectionalizer mode also disables overcurrent protection on a recloser. The recloser opens under a loss of voltage during the source-side protective device’s reclosing intervals. This technique is traditionally used for apparatus that does not have fault interrupting capabilities, but is easy to coordinate. A sectionalizing scheme places a different deadline count on each series device. If fault current is sensed, the sectionalizer increments its count for each reclosing open interval it detects from a loss of voltage. The disadvantage of a sectionalizer is that it offers no protection of line equipment. The schemes are not secure for topologies with parallel feeder branches because all devices on the branches see the same counts.

Utilities widely understand the benefits of having all three modes of operation available in a single device. These benefits include common data sets for easier integration into Smart Grid technologies, lower training and installation costs, greater volume and purchasing power with vendors, and lower incident reports resulting from unfamiliarity with the control or the apparatus. Using a recloser in switch mode affords field personnel the benefit of using the Hot Line Tag feature and placing it into active trip mode when work is taking place. The flexibility of using a recloser in switch mode allows easy reversal back to recloser mode when adjacent reclosers are out for maintenance.

In the example system shown in Figure 9, each ACR is configured to operate in switch mode. When a fault occurs as shown, CB2 clears the fault. The self-healing system uses the miscoordination correction algorithm previously presented to isolate and restore the unfaulted line segments. One major disadvantage of this philosophy is the complete dependence on communications (to and from the self-healing system) to properly isolate the faulted line segment. A simple performance improvement is to use sectionalizing mode during normal configuration. The sectionalizing routine will be able to isolate the fault beyond ACR2—without the dependence on communications. The self-healing system can disable sectionalizing through the profile management technique already presented and put devices into switch mode or recloser mode when the circuit topology changes. This ensures proper operation of the system for multiple contingency events. This concept extends to switch controls that may support automatic sectionalizing mode.

Example-Circuit-Recloser,-Switch-and-Sectionalizer-Modes.jpg

Conclusion 

Because of the dynamic nature of circuit topologies, utilities are faced with the challenge of reviewing protection schemes when deploying self-healing technology. This paper presented techniques that can be used with existing recloser and switch controls to mitigate these issues. Changing the deployment philosophy to include more devices in switch mode or sectionalizing mode can increase switching points without increasing coordination complexity. Using features such as miscoordination correction will fill the gaps when simultaneous or overreach tripping occurs. 

Rapid and large scale deployments of self-healing technology demand the use of existing infrastructure. All these methods can help to achieve this goal.

Biography

Daniel P. Roth is a distribution automation technical manager in the Energy Automation Solutions business unit at Eaton’s Cooper Power Systems in Pewaukee, Wisconsin. The business unit is responsible for creating and providing Smart Grid solutions. He previously held application engineer positions in protective relays for Cooper Power Systems and Schweitzer Engineering Labs. Mr. Roth received his Bachelor of Science in electrical engineering from the University of Illinois at Urbana-Champaign.